Elektronik
|
Transistor
Ein Transistor ist wie die Diode ein Halbleiter. Er kann als Schalter, aber auch als Verstärker eingesetzt werden.

Der Transistor hat 3 Anschlüsse:
- Basis
- Collector
- Emitter
Die Beschriftung ist nicht nötig, da die Anschlüsse auch ohne Beschriftung auseinander zu halten sind.
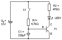
Die Funktion möchte ich an einer Schaltung veranschaulichen. Hier wird der Transistor als Schalter eingesetzt:

Damit die LED leuchten kann, muss Strom vom Pluspol durch R2, die LED und den Transistor von C nach E und dann zum Minuspol fließen. Das hab ich hier mal rot eingezeichnet. Drückt man den Taster nicht, bleibt die LED aber dunkel, da der Transistor keinen Strom vom Collector zum Emitter hindurch lässt, er "sperrt". Wird der Taster betätigt, fließt Strom durch R1 und durch den Transistor von der Basis zum Emitter und die LED beginnt zu leuchten.
Grob formuliert könnte man also sagen:
Damit von C nach E Strom fließen kann, muss von B nach E Strom fließen.
Das kann man natürlich auch machen, indem man den Schalter direkt an die LED setzt, dafür braucht man keinen Transistor. Der Vorteil hier ist aber, dass die Spannung an der Basis UBE nicht sehr groß sein muss. Es reichen 0,7V aus, damit der Transistor leitend wird und die LED leuchten kann. Außerdem reicht für die Basis ein sehr kleiner Strom, hier 2,4mA. Bei manchen Transistoren reicht 1µA! Der Strom durch den Collector zum Emitter kann dafür sehr groß sein.
Der Nutzen davon ist bei dieser Schaltung zugegeben gering, aber in anderen Schaltungen kann das nützlich werden. Zum Beispiel: Hat man ein Signal von 3,3V zur Verfügung (es liegen also irgendwo in einer Schaltung je nach Fall 3,3V an), das man nutzen möchte, um beispielsweise 10 LEDs einzuschalten, kann man schlecht die 10 LEDs direkt an das Signal anschließen. Die Schaltung könnte möglicherweise die zusätzlichen 200mA gar nicht aufbringen. Dann legt man die 3,3V über einen Widerstand (ganz wichtig!) an die Basis und schließt wie hier eine oder mehrere LEDs an den Transistor an.
by Takeshi
Erweitern wir die Schaltung doch mal durch einen Kondensator.

Ist der Taster geöffnet, passiert wieder nichts. Schließt man den Taster, beginnt die LED zu leuchten, wie auch in der Schaltung zuvor. Lässt man jedoch den Taster los, bleibt die LED an, da sich zuvor der Kondensator aufgeladen hat. Die Spannung am Kondensator reicht nun aus, damit durch die Basis ein kleiner Strom fließen kann, somit der Transistor leitend bleibt. Da nur ein kleinerer Strom fließt, als in der Schaltung im Kapitel "Kondensator", leuchtet die LED wesentlich länger, obwohl der Kondensator gleich groß ist.
by Takeshi
by Takeshi
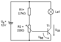
Die nächste Schaltung soll dazu dienen die Helligkeit einer Lampe (La1) zu verändern.

Betrachten wir zu erst den linken Teil. Dort haben wir eine Reihenschaltung aus einem 2,7kΩ und einem (regelbaren) 220Ω vorliegen. Der Schleifer ist nach ganz oben gestellt. Der Strom der Reihenschaltung beträgt 4,1mA (12V / 2,92kΩ ). Den Strom, der durch die Basis fließt, vernachlässigen wir, das kann man in den meisten Fällen machen. Multipliziert man die 4,1mA mit den 220Ω, so erhält man die Spannung 904mV, die an der Basis anliegt.
Dreht man am Poti, so dass zwischen dem unteren Kontakt und dem Schleifer ein Widerstand von 100Ω vorliegt, bleibt der Strom in der Reihenschaltung gleich. Die anliegende Spannung lässt sich also leicht wieder berechnen.
UBE = 4,1mA * 100Ω = 410mV
Mit steigender UBE sinkt die Spannung UCE und die Spannung an der Lampe steigt somit. Die Spannung UBE schwankt dabei um ungefähr 0,5V, die Spannung an der Lampe hingegen um fast 12V. Der Transistor verstärkt also die Veränderung der UBE.
by Takeshi
Ein Transistor wird durch den Strom IC auch warm. Die umgesetzte Leistung wird wie immer durch Spannung und Strom berechnet.
Ist ein Transistor nicht durchgeschaltet, beträgt UCE der maximalen Spannung (hier 12V), es fließt durch den Collektor aber kein Strom, die Leistung ist somit auch 0W.
Ist er durchgeschaltet, fließt viel Strom, beispielsweise 500mA. Die Spannung UCE sinkt je nach Transistortyp auf ungefähr 0,6V herab. Damit ergäbe sich eine Leistung von 300mW.
Schaltet der Transistor nur halb durch, fließt ein Strom (bspw. 250mA) , die Spannung sinkt auch ein wenig ab (bspw. 5V). Dadurch ergibt sich eine höhere Leistung, als in den anderen beiden Fällen (hier 1,25W). Je nachdem, wie der Transistor verwendet wird, muss er also auch gekühlt werden.
by Takeshi
Natürlich gibt es wie bei den Dioden auch bei den Transistoren eine riesige Vielfalt. Der hier beschriebene Transistor war ein "Bipolartransistor". Davon gibt es wiederum zwei Typen, nämlich NPN und PNP. Dieser hier ist ein NPN, z.B. BC547. Der Unterschied ist nur der, dass der NPN eine positive Spannung schaltet (Basis und Collector positiver als Emitter), bei einem PNP wird eine negative Spannung geschaltet (Basis und Collector negativer als Emitter). Würde man den NPN gegen einen PNP tauschen, müsste man lediglich die Polarität der Batterie ändern. Das Schaltzeichen ändert sich ebenfalls, nämlich ändert sich die Richtung es Pfeils am Emitter.
by Takeshi
|