Reale Spannungsquelle
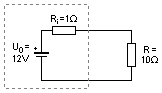
Schließen wir einen Widerstand an die reale Spannungsquelle an (wir "belasten" sie).

Wie man sieht, haben wir hier eine Reihenschaltung von einem 1Ω und einem 10Ω Widestand.
Bei einer idealen Spannungsquelle würde ein Strom von 1,2A fließen (12V/10Ω ), hier fließen allerdings nur 1,09A (12V/11Ω ). Das ist natürlich ein Unterschied.
Die Spannung am Widerstand beträgt auch nicht mehr exakt 12V, sondern nur noch 10,9V (10Ω * 1,09A).
Das heißt: bei einer belasteten Spannungsquelle sinkt die Ausgangsspannung je nach Belastung.
by Takeshi
Dieses Kapitel ist nicht ganz so wichtig, aber man sollte es dennoch wissen und an dieser Stelle passt es vom Wissensstand ganz gut...
Ich wollte es erst weg lassen, aber ganz so unwichtig ist es dann auch wieder nicht.
Bisher haben wir nur mit idealen Spannungsquellen gerechnet. Ideal deshalb, weil negative Eigenschaften der Spannungsquelle nicht berücksichtigt wurden. Das kann man meist machen, weil diese Eigenschaften nur sehr wenig ins Gewicht fallen. Manchmal kann man es aber eben auch nicht.
Diese negative Eigenschaft ist der "Innenwiderstand". Unter Berücksichtigung dieses Innenwiderstandes spricht man von der realen Spannungsquelle.
by Takeshi
Durch Extrembeispiele lassen sich Gegebenheiten oft besser ermitteln.
Die Extrembeispiele hier wären ein Kurzschluss (R = 0Ω ) der Spannungsquelle und eine unbelastete (R = ∞ Ω ) Spannungsquelle.
Ist die Spannungsquelle nicht belastet, so fließt durch den Innenwiderstand kein Strom. Das hat zur Folge, dass keine Spannung an ihm abfällt. (U = R * 0A = 0V).
Hält man also einfach das Messgerät an die Pole, kann man die Quellenspannung messen.
Schließt man die Batterie kurz, so wird der Strom (hier 12A) nur durch den Ri bestimmt. Diesen Kurzschlussstrom nennt man auch "Ik".
Eine kurzgeschlossene reale Batterie entspricht einer idealen Spannungsquelle mit einem angeschlossenen Widerstand.
Durch die ermittelte Quellenspannung und den Kurzschlussstrom lässt sich dann der Innenwiderstand bestimmen.
Ri = U0 / Ik
Ri = 12V / 12A
Ri = 1Ω
by Takeshi
Bei Batterien ist es so, dass der Innenwiderstand dafür sorgt, dass die Batterie "leer" wird. Der Innenwiderstand steigt an, weshalb immer weniger Strom fließt und die Spannung bei Belastung sinkt. Irgendwann ist er so groß, dass selbst der Strom, der durch das Voltmeter fließt (der ist winzig klein), ausreicht, damit die Spannung abfällt. Das passiert aber erst recht spät, weshalb man mit einem Multimeter kaum messen kann, ob eine Batterie noch fit ist, oder nicht.
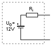
Die Ersatzschaltung sieht nicht nur bei Batterien so aus, das gilt für jede Spannungsquelle.
by Takeshi

Alles in dem grau gestrichelten Kasten stellt die Batterie dar (Ersatzschaltung). Es ist nicht so, dass in der Batterie ein Widerstand eingebaut ist, aber für die Schaltung kann man es sich so vorstellen, da sich eine Batterie so verhält, als wäre es so.
Der "Ri" ist der Innenwiderstand, die Spannungsquelle in dem Kasten nennt man "Quellenspannung", abgekürzt durch U0. Diese wird wieder als ideal angesehen, da sie ja mit dem Ri die reale Spannungsquelle bildet.
by Takeshi
Es gibt jedoch so genannte Schaltnetzteile, die den Innenwiderstand so anpassen, dass immer die gleiche Spannung anliegt. Das klappt aber nur bis zu einer bestimmten Belastung, irgendwann brechen die Schaltnetzteile auch ein und schalten ab. Auf Schaltnetzteile komme ich aber noch später zu sprechen, das ist jetzt viel zu kompliziert.
Um hier keine Verwirrung zu verursachen: In den meisten Fällen kann man mit einer idealen Spannungsquelle rechnen. Das ist hier auf der Seite auch weiterhin so, außer es ist etwas anderes angegeben.
by Takeshi
|