Durch einen kleinen Handgriff kann man einen Spannungsteiler stark verbessern. Dies macht eine Diode möglich. Hierbei handelt es sich jedoch nicht um eine herkömmliche Diode, sondern um eine "Z-Diode" (Z für Zener, ohne H). In Durchlassrichtung verhält sie sich wie eine normale Diode, ab 0,7V ist sie leitend. In Sperrichtung sieht es aber anders aus. Da sperrt sie nur bis zu einer gewissen Spannung, danach wird sie auch da leitend. Dementsprechend sieht die Kennlinie einer Z-Diode aus (wieder nur zweckmäßig).

Optisch sehen Z-Dioden aus wie normale Dioden, das Schaltzeichen ist jedoch anders.

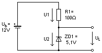
Da die Spannung interessant ist, bei der sie in Sperrichtung durchschaltet, wird die Z-Diode auch in Sperrichtung betrieben, also nicht wundern. Das ist kein Fehler im Schaltbild.

U1 beträgt 6,9V, damit fließt ein Strom von 69mA. Das heißt für die Z-Diode, dass sie 352mW in Wärme umsetzt. Meistens haben die Z-Dioden eine Leistungsaufnahme von bis zu 500mW, also passt es noch. Schließt man an die Klemmen einen Widerstand an, dann hält die Z-Diode die Spannung konstant. Der Strom durch die Diode sinkt jedoch ab, so dass dieser Strom addiert mit dem Laststrom immer gleich bleibt (und somit die Spannung an R1).
Der Vorwiderstand sollte maximal so groß gewählt werden, dass mindestens 20mA durch die Z-Diode fließen, auch wenn keine Last angeschlossen ist.
Ist die Last so groß, dass durch sie und damit auch durch R1 ein so großer Strom fließt, dass die Spannung an R1 größer werden muss, bricht die Spannung an der Z-Diode ein. Das heißt in diesem Fall: fließt durch die Last ein Strom von 75mA, dann auch durch R1.
U1 = 100Ω * 75mA = 7,5V
Dadurch muss zwangsweise die Spannung U2 kleiner werden.
Also auch hier gilt: kleinerer Vorwiderstand, stabilere Spannung, aber auch mehr Stromverbrauch. Widerstand maximal so klein, dass die Bauteile die Leistung aushalten.