Kondensator
Ein Kondensator ist in etwa sowas, wie ein winzig kleiner Akku. Er speichert elektrische Ladung und gibt sie bei Bedarf wieder ab.
Die Kapazität wird in F (Farad) angegeben. 1F ist jedoch sehr viel, übliche Kondensatoren werden nicht einmal in mF angegeben, sondern in µF, nF oder sogar pF.
Zur Erinnerung:
- m steht für "milli" und heißt "tausendstel" (1/1.000)
- µ steht für "mikro" und heißt "millionstel" (1/100.000)
- n steht für "nano" und heißt "milliardstel" (1/1.000.000.000)
- p steht für "pico" und heißt "billionstel" (1/1.000.000.000.000)
-> 1µF = 0,000001F
Außerdem haben Kondensatoren noch eine Spannungsangabe. Sie gibt an, wie viel Spannung man maximal anlegen darf.
Für Kondensatoren verwendet man den Buchstaben "C".
Es gibt zwei verschiedene Arten von Kondensatoren. Einmal gibt es "Keramik-" und "Folienkondensatoren". Diese haben eine kleine Kapazität (1pF bis 1µF) , sind aber unpolar, man kann sie also so rum einbauen, wie man möchte.
Daneben gibt es noch "Elektrolytkondensatoren", kurz "Elko". Die Kapazität ist wesentlich größer (0,1µF bis 10000µF), sind aber polarisiert. Beim Einbau muss also auf die Polarität geachtet werden.
Das Schaltzeichen für unpolare Kondensatoren sieht so aus:

Für Elkos so:

Das Plus muss nicht dran gezeichnet werden, das ergibt sich automatisch durch den dicken Strich.
by Takeshi
Die genaue Funktionsweise und andere Feinheiten werde ich an dieser Stelle nicht vertiefen, da das Gebiet (find ich) noch zu groß und zu kompliziert ist, das hilft jetzt wenig.
by Takeshi

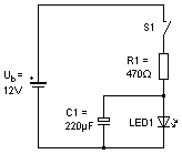
Wird der Schalter S1 (Taster) geschlossen, fließt ein Strom durch R1 und LED1 (rot), die LED leuchtet und der Kondensator lädt sich auf. Eventuell leuchtet die LED anfangs nur schwach, weil der Kondensator leer ist und der LED erst einmal den Strom zum Laden "klaut".
Lässt man den Taster los, so leuchtet die LED noch ganz kurz weiter.
by Takeshi
by Takeshi
|